|
|
SEA UN CIENTIFICO CON LA BIBLIA: ¿TESLA SE INSPIRO EN EL VATICANO PARA DISEÑAR LA TENSION Y CORRIENTE ALTERNA?
Scegli un’altra bacheca |
|
Rispondi |
Messaggio 1 di 136 di questo argomento |
|
SARA=SERPIENTE=$
|
|
Génesis 8:22 Mientras la tierra permanezca, no cesarán la sementera y la siega, el frío y el calor, el verano y el invierno, y el día y la noche. (EL MISMO DISEÑO DEL VATICANO-OCHO PUNTAS-PLAZA DE SAN PEDRO)
DINERO=MUJER=$=SARA
EL PSEUDOCRISTIANISMO LE TIENE PANICO A LA MUJER.
|
|
EN VENECIA ESTA EL SECRETO
|
Obviamente que Dios es Dios de vivos..
Puesto que en la fe nadie muere..
Y los patriarcas Abraham, Isaac, Jacob ..
Caminaron por fe..
Dios le cambio el nombre de abram a abraham..
Porque es el primer viviente según el pacto de la circuncisión..
El primer hombre de fe, el padre de naciones..
Y ese pacto de Dios con Abraham sigue vigente hasta hoy..
Porque en la fe de Abraham son salvas todas las naciones..
Y para dejar tranquilo a Barilochense le digo :
Dios también le cambió el nombre a la mujer de Abraham..
De Saraí ( princesa ) pasó a llamarse Sara que significa madre de naciones..
16. Y la bendeciré, y también te daré de ella hijo; sí, la bendeciré, y vendrá a ser madre de naciones; reyes de pueblos vendrán de ella.
Para que no diga que Dios no ama a sus hijas..
Saludos
El Ungido
|
|
EN VENECIA ESTA EL SECRETO
RAMERA=$ =SERPIENTE= SABADO= SABIDURIA= LETRA S= SOPHIA=SNAKE =SERPENT
S=SERPIENTE
|
|
|
|
|
|
|
Rispondi |
Messaggio 17 di 136 di questo argomento |
|
|
|
|
Rispondi |
Messaggio 18 di 136 di questo argomento |
|
Primer Anterior 2 a 2 de 2 Siguiente Último |
|
|
|
|
Rispondi |
Messaggio 19 di 136 di questo argomento |
|
|
|
|
Rispondi |
Messaggio 20 di 136 di questo argomento |
|
Quote:
Originally Posted by shawnnweed 
This is the very epitamy of 'As above so below' and as 'within so without'. My final conclusion. As above so below represents the elctromagnetic force that is applicable due to the geometric shape of the torrus which is the as within so without becuase this shape annd force permeates and effects everything of every size from the micro the macro.
, Shawn
|
indeed http://xenophilius.wordpress.com/200...-not-internal/
Quote:
Earth’s Magnetic Field Is Produced By An External Dynamo System, Not An Internal Dynamo.
Researcher finds that Earth’s magnetic field is not produced by an internal dynamo. Nor is it produced by ocean current. The dynamo is outside the Planet! New findings by independent researcher, Dennis Brooks, show that Earth’s magnetic field and the planet itself are components of a complex dynamo system (fractal Engine ), which surrounds the planet. The planet and its magnetic field are part of the dynamo. |
watch the vedic video i posted, you'll see the egg  food for thought: If the All is mental (ie: waves see: http://www.energeticforum.com/135748-post15.html and http://www.energeticforum.com/135680-post14.html ) s o a chicken is a " complex polyphase field-coil/fractal antenna " laying a "complex polyphase field" egg.....  ( principle of mentalism/principle of correspondence ) 
__________________ “Signs and symbols rule the world, not words nor laws.” - Confucius. 
|
|
|
|
|
|
|
Rispondi |
Messaggio 21 di 136 di questo argomento |
|
|
|
|
Rispondi |
Messaggio 22 di 136 di questo argomento |
|
|
|
|
Rispondi |
Messaggio 23 di 136 di questo argomento |
|
|
|
|
Rispondi |
Messaggio 24 di 136 di questo argomento |
|
|
|
|
Rispondi |
Messaggio 25 di 136 di questo argomento |
|
|
|
|
Rispondi |
Messaggio 26 di 136 di questo argomento |
|
Comparen las dos figuras anteriores y noten que la LUZ SOLAR PENETRA, en este caso EN LA PUERTA DE TIWANAKU (BOLIVIA) en los equinoccios, osea el 20/21 de marzo y los 21/22 de septiembre. CONCRETAMENTE LA FIESTA DE LOS TABERNACULOS ES PRIMA HERMANA DE LA FIESTA PASCUAL. EN ESTE MARCO, INSISTO, EL SOL, SI USTED COMPARA CON LA FIGURA SUPERIOR, EN LOS MISMOS EQUINOCCIOS LA LUZ SOLAR CHOCA CON LA PIRAMIDE VATICANA E INCLUSO INGRESA O PENETRA ADENTRO DEL TEMPLO DE SAN PEDRO. PREGUNTO: ¿SI LA PLAZA DE MARIA DE LA VICTORIA ESTA UBICADA EN LA MISMA LINEA EQUINOCCIAL, QUIEN ES EN ESTE MARCO LA MISMA, EN EL CONTEXTO QUE LA PASCUA TAMBIEN TIENE ESA REFERENCIA? CUALQUIER PERSONA QUE TIENE TRES DEDOS DE FRENTE SE DA CUENTA QUE ES MARIA LA MAGDALENA. SI NO ES ASI PREGUNTO:
¿PORQUE CRISTO SE PRESENTO SIENDO VENCEDOR EL 17 DE NISSAN, OSEA EN EL EQUINOCCIO FRENTE A MARIA MAGDALENA?
CONCLUYO:
MARIA LA VICTORIA ES MARIA MAGDALENA
$=RIO TIBER = SERPIENTE/ DRAGON= "AGUA VIVA"= FLUJO DINAMICO
PORQUE ES SANTURRON, PRESUME SER LO QUE NO ES.
LA DEMONIZACION DE ROMA, EN ESTE MARCO, ES OBVIO QUE TIENE ORIGEN NARCISISTA=$$$
TODO EL UNIVERSO ESTA EN FUNCION AL HOMBRE Y LA MUJER, EL SOL Y LA LUNA, EL ORO Y LA PLATA, EL YIN Y YANG, ETC,ETC,ETC
¿PORQUE TE DUELE MARIA MAGDALENA?
NARCISISMO
|
|
|
|
Rispondi |
Messaggio 27 di 136 di questo argomento |
|
|
|
https://www.youtube.com/watch?v=XOaA-c9UlCg
2 nov. 2017 - Subido por Shaking My Head Productions
What was the Nazi Bell time machine? A weapon, a scientific experiment or…what else? The Nazi bell was ...
https://www.youtube.com/watch?v=kyKkLvkv2Ok
25 abr. 2016 - Subido por The Kev Baker Show
SEE FULL SUPPORTING ARTICLE, LINKS & VIDEOS HERE.... http://kevbakershow.com/links-nazi-bell-cern ...
https://www.youtube.com/watch?v=q151AtDHk2Q
19 feb. 2016 - Subido por SUPERCRACK ESTRELLA
CERN, CAMPANA NAZI-LA CAMPANA DEL INFIERNO Hay una historia no contada de los nazis, unos de ...
https://www.youtube.com/watch?v=Qml5eoTLuk4
15 may. 2015 - Subido por nemesis maturity
The Nazi Bell – Top Secret Wormhole Device The Nazi Bell linked with ... NASA, NAZIS, CERN, all run by ...
https://www.youtube.com/watch?v=BKda3tXg7Wg
26 mar. 2015 - Subido por Amerishima2012
thank you for watching https://www.youtube.com/watch?v=lb13ynu3Iac ...
https://www.youtube.com/watch?v=jvq-L5rNQiQ
13 abr. 2016 - Subido por END TIMES MATRIX NEWS
Feb 12 recording w/Author Anthony Patch re the Recreation of the Nazi BellCertain Alignments and the Pole ...
https://www.disclose.tv › Ancient History
11 ene. 2017 - Subido por DarkJournalist
He talks about how C.E.R.N is the logical end result of early Nazi Bell technology being developed in the ...
https://www.youtube.com/watch?v=5WJaQRS1dro
10 abr. 2017 - Subido por mikefromspace
Beyond Victor Grebennikov's discovery, here is a far more powerful wave compression system you can now ...
https://www.youtube.com/watch?v=bjTrNveroCs
11 jun. 2016 - Subido por BASEDLOQUENDO
El proyecto Die Glocke la campana nazi y el OVNI de Kecksburg ... the Nazi Bell - NEW die Glocke found in ...
|
|
|
|
|
|
|
Rispondi |
Messaggio 28 di 136 di questo argomento |
|
|
|
|
Rispondi |
Messaggio 29 di 136 di questo argomento |
|
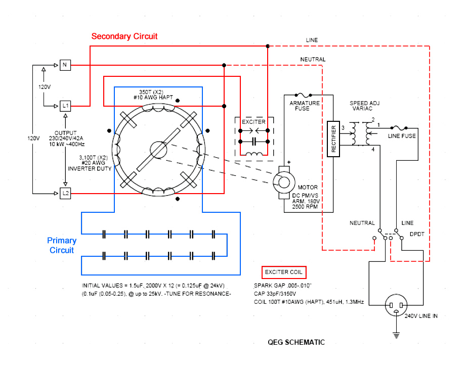
El Generador Cuántico de Electricidad
El Generador Cuántico de Electricidad
(QEG en inglés)
El Generador Cuántico de Electricidad (QEG en inglés) es una adaptación de uno de los muchos diseños patentados por Nikola Tesla sobre generadores/dínamos/alternadores. La patente a la que se hace referencia en particular es la No. 511.916, titulada simplemente "Electric Generator" y fechada 2 de enero de 1894. La adaptación es una conversión de un sistema lineal a un sistema rotativo.
El prototipo a escala del QEC produce continuamente energía eléctrica en el rango de los 10-15kW (kilowatts) y puede programarse para emitir 120 ó 230-240 V de salida monofásica. También estamos planeando diseños futuros que brinden energía trifásica.
La vida útil del dispositivo está limitada sólo por ciertos componentes reemplazables, tales como soportes, correas y capacitores. La maquinaria básica debería operar sin inconvenientes (con mantenimiento mínimo) durante tanto tiempo como cualquier dispositivo electromecánico de buena calidad, como una lavadora o un refrigerador. Se usan para su construcción componentes para tareas pesadas para mayor confiabilidad.
El QEG no es un dispositivo complejo debido a que fue diseñado (al igual que otras "invenciones" de Tesla) para funcionar en armonía con las leyes de la naturaleza, a diferencia de los diseños actuales de motores y generadores simétricos que derrochan energía y se usan en toda la industria.

Una manera efectiva de entender el principio de funcionamiento es pensar que el QEC es un oscilador auto resonante (un circuito tanque de alimentación) de gran potencia que genera C.A. de alto voltaje (15 a 25kV. Estas oscilaciones de AV se transforman en corriente alterna de salida de línea con niveles de intensidad de aproximadamente 85A. En términos actuales de energía alternativa se llamaría "máquina de tipo resonante".
El circuito que proporciona el gran poder de este dispositivo está basado realmente en un modelo de oscilador ya existente pero poco utilizado, sin embargo, la parte "cuántica" del diseño está relacionada con la manera en la cual el dispositivo se ha optimizado para obtener el máximo poder. Los alternadores convencionales (generadores de C.A.) consumen más energía de la que brindan. Por ejemplo, cierta marca de alternadores de toma de fuerza (PTO en inglés) usa 18.000 Watts (24 HP) para brindar 13.000 Watts de salida. El QEG usa la alimentación sólo para mantener la resonancia en el núcleo, lo cual es sólo una fracción de la salida (menos de 1.000W para producir 10.000W) y, una vez en funcionamiento, retroalimenta a su motor de 1HP. Esto se conoce como "over-unity". Una vez que la maquina alcanza su frecuencia de resonancia, se retroalimenta (funcionamiento autónomo).
IMPRESIONANTE VIDEO DE UN MOTOR (QEG) QUE SE RETROALIMENTA A EL MISMO Y A LA VEZ A UN CONSUMO ELEVADO DE POTENCIA.
¿Cómo se pone en funcionamiento el QEG si no requiere combustible?
Sólo se necesita girar la máquina hasta que entre en resonancia. A partir de este momento, funcionará por su cuenta. Puede arrancarse con energía eléctrica ya disponible o un mecanismo de manivela o con un sistema de arranque de motores a batería. Un arrancador a batería también podría mantener sus propias baterías totalmente cargadas drenando algo de potencia del generador.
- ¿Durante cuánto tiempo funcionará el QEG?
Indefinidamente (o hasta que se gasten las partes)
- ¿Qué mejoras tiene el QEG con respecto al trabajo de Tesla?
Este diseño adapta el elemento lineal, pieza alternativa de la patente, a un elemento giratorio y se usan elementos electrónicos para agregarle estabilidad, tener una cantidad controlada de potencia y el rango correcto de frecuencias.
- ¿Desacelera el QEG cuando se le agrega más carga?
No, no es ese tipo de energía.
- ¿Emite radiación el QEG?
No, no es ese tipo de energía.
- ¿Qué tipo de energía usa el QEG?
Electromagnética y carga atmosférica
http://santi60.blogspot.com/2017/01/el-generador-cuantico-de-electricidad.html |
|
|
|
Rispondi |
Messaggio 30 di 136 di questo argomento |
|
| De: Rolmen |
Enviado: 18/10/2018 11:35 |
|
Ya veo, el silencio es elocuente...hechos y no palabras, mejor iré a conversar con la madre naturaleza...
|
|
|
|
|
| De: Rolmen |
Enviado: 18/10/2018 11:39 |
|
|
|
|
| De: Rolmen |
Enviado: 18/10/2018 11:43 |
|
|
|
|
| De: Rolmen |
Enviado: 18/10/2018 11:46 |
|
|
|
|
| De: Rolmen |
Enviado: 18/10/2018 11:51 |
|
|
|
|
| De: Rolmen |
Enviado: 18/10/2018 12:01 |
|
|
|
|
| De: Rolmen |
Enviado: 18/10/2018 12:02 |
|
|
|
|
| De: Rolmen |
Enviado: 18/10/2018 12:03 |
|
ROLMENCITO ES EL MARCO
¿TE LO DIGO EN ALEMAN O EN INGLES?
|
|
|
|
|
|
|
Rispondi |
Messaggio 31 di 136 di questo argomento |
|
|
|
806. Juan 16:21 La mujer cuando da a luz, tiene dolor, porque ha llegado su HORA; pero después que ha dado a luz un niño, ya no se acuerda de la angustia, por el gozo de que haya nacido un hombre en el mundo.
NOTEN LA RELACION DE LA BIBLIA DE LA LUZ, EN UN MARCO DE TIEMPO.
|
|
|
|
|
|
Primo
Precedente
17 a 31 de 136
Successivo
Ultimo
|
|
| |
|
|
©2025 - Gabitos - Tutti i diritti riservati | |
|
|